S64DB-12-135
  • S64DB-12-135 S64DB-12-135

S64DB-12-135

Modello:S64DB-12-135

Cilindri idraulici HCIC S64DB-12-135: opzioni premium e personalizzabili per acquirenti industriali globali. Specifiche affidabili, prestazioni costanti, accordi diretti in fabbrica, ideali per l'edilizia, l'estrazione mineraria e l'approvvigionamento agricolo.

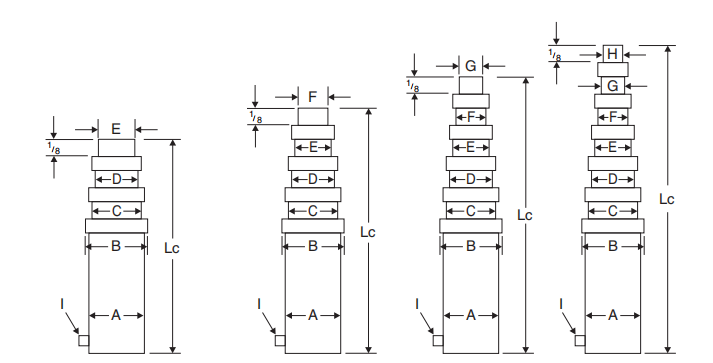
  • Number Stages:

    4
  • Nominal Stage OD:

    6
  • Stroke:

    135
  • Closed:

    47.19
  • Open:

    182.19
  • Pin:

    1.75
  • Width:

    8

Invia richiesta

Descrizione del prodotto

Per gli acquirenti di attrezzature industriali. Queste sono le informazioni sul cilindro HCIC S64DB-12-135. Specifiche principali, qualità costruttiva, dove utilizzare, servizi personalizzati. Tutto pratico. Niente lanugine.


customizable hydraulic cylinders


parker multi-stage hydraulic cylinders


I. Specifiche principali: si adatta alla maggior parte dei lavori di installazione


HCIC S64DB-12-135 = design standard. Funziona per la maggior parte delle macchine industriali. Trasferimento di potenza, installazione: nessun problema.


• Dimensioni strutturali:Diametro esterno 6. 4 stadi. Corsa 135. Lunghezza chiusa 47,19. Lunghezza estesa 182,19. Compatto. Adatto agli slot di montaggio standard della macchina.

• Compatibilità di montaggio:Dimensioni perno 1,75 / 1,5. Corrisponde alle larghezze 8 / 2,69. Saldatura, cerniera: funzionano entrambi. La maggior parte delle macchine non necessita di modifiche.

• Prestazioni di base:Guarnizione industriale standard. Funziona senza sosta in condizioni regolari. Soddisfa i comuni standard di pressione idraulica.


heavy-duty hydraulic cylinders


II. Qualità costruttiva: affidabile, senza guasti


Controlliamo ogni passaggio. Dalle materie prime alla spedizione. Nessuna scorciatoia. Solo qualità costante.


(1). Materie prime:Canna = tubo in acciaio senza saldatura 45#. Stelo pistone = temprato + cromato. Resiste all'usura, resiste alla ruggine. Buono per l'uso industriale regolare.

(2). Lavorazione e assemblaggio:Parete interna del cilindro = levigata liscia. Il pistone si muove senza bloccarsi. Tenute industriali = meno perdite d'olio.

(3). Controllo di qualità:Ogni cilindro supera 3 test. Prova di pressione. Prova di ictus. Prova di tenuta. Salviamo tutti i dati del test. Solo passaggio = spedizione.

dump hydraulic cylinder

III. Scenari applicativi: funziona con tutti i tipi di attrezzatura


I cilindri S64DB si adattano a molti settori industriali. Parti di potenza solide per macchine.


• Macchine edili:Escavatori, caricatori. Adatto alle trasmissioni del braccio e della benna. Gestisce il sollevamento, il telescopio, la rotazione. Buono per i lavori di costruzione quotidiani.

• Metallurgico e minerario:Regolazioni forno, controllo alimentazione frantoio. Funziona in ambienti difficili. Soddisfa i requisiti di campo di base.

• Macchine Agricole:Seminatrici, raccoglitrici. Regola la profondità di semina, solleva le testate. Rende l’agricoltura più efficiente.

• Attrezzatura speciale:Modificare i parametri. Adatto per ascensori aerei e compattatori di rifiuti. Supporto energetico di base: fatto.


IV.FAQ

Risposte pratiche alle tue domande sul cilindro idraulico HCIC S64DB-12-135, incluse specifiche, compatibilità, qualità e personalizzazione.

📏 Specifiche principali e compatibilità

D: Il cilindro HCIC S64DB-12-135 si adatterà alla mia macchina industriale standard senza modifiche?

R: Assolutamente. L'HCIC S64DB-12-135 è un cilindro idraulico dal design standard con dimensioni strutturali compatte (diametro esterno 6, lunghezza chiusa 47,19, lunghezza estesa 182,19) e dimensioni dei perni compatibili (1,75 / 1,5) e larghezze (8 / 2,69). Si adatta alla maggior parte degli slot di montaggio standard delle macchine e ai lavori di montaggio sia di saldatura che di cerniere: la maggior parte delle macchine industriali non necessita di modifiche per installarlo per il trasferimento di potenza o altre attività.

D: Quali sono le principali specifiche strutturali e prestazionali del cilindro HCIC S64DB-12-135?

R: L'HCIC S64DB-12-135 ha 4 stadi, una corsa di 135 pollici, una lunghezza chiusa di 47,19 pollici e una lunghezza estesa di 182,19 pollici. Utilizza guarnizioni industriali standard, funziona ininterrottamente in normali condizioni industriali e soddisfa i comuni standard di pressione idraulica. Il suo design compatto lo rende ideale per spazi di montaggio ristretti sulla maggior parte dei macchinari industriali.

D: Quali opzioni di montaggio sono disponibili per il cilindro HCIC S64DB-12-135?

R: Questo cilindro supporta due comuni metodi di montaggio industriale: saldatura e incernieramento. Viene fornito con dimensioni dei pin compatibili (1,75 e 1,5) e si adatta alle larghezze macchina standard (8 e 2,69), quindi puoi installarlo utilizzando il metodo che meglio si adatta alla tua attrezzatura: non sono necessari adattatori di montaggio personalizzati per la maggior parte delle macchine.

D: Il cilindro HCIC S64DB-12-135 è in grado di gestire un uso industriale continuo e non-stop?

R: Sì. È costruito con guarnizioni industriali standard e soddisfa i comuni standard di pressione idraulica, che gli consentono di funzionare ininterrottamente in normali condizioni industriali. La parete interna liscia e levigata del cilindro garantisce che il pistone si muova senza incepparsi e i materiali di alta qualità resistono all'usura, perfetti per l'uso continuo quotidiano su macchinari edili, agricoli o metallurgici.

⚙️ Qualità della creazione e scenari applicativi

D: Quali materiali vengono utilizzati per realizzare il cilindro HCIC S64DB-12-135 e quanto è durevole?

R: La canna del cilindro è realizzata in tubo d'acciaio senza saldatura 45# e l'asta del pistone è temprata e cromata: questa combinazione resiste all'usura e alla ruggine, perfetta per il normale uso industriale. La parete interna è levigata per evitare l'incollaggio del pistone e le guarnizioni industriali riducono le perdite d'olio, il tutto per garantire prestazioni affidabili e di lunga durata senza guasti imprevisti.

D: Quali test di qualità supera il cilindro HCIC S64DB-12-135 prima della spedizione?

R: Ogni singolo cilindro HCIC S64DB-12-135 supera 3 test rigorosi prima della spedizione: un test di pressione (per soddisfare gli standard idraulici), un test di corsa (per garantire un movimento regolare) e un test di tenuta (per evitare perdite d'olio). Salviamo tutti i dati dei test per riferimento futuro e non spediamo mai un cilindro che non li superi tutti e tre: nessuna scorciatoia, solo qualità costante.

D: Per quali settori e macchinari industriali è adatto il cilindro HCIC S64DB-12-135?

R: Questo cilindro è versatile e si adatta a molti settori industriali. Funziona per macchine edili (escavatori, caricatori per azionamenti braccio/benna), attrezzature metallurgiche e minerarie (regolazioni di forni, controllo dell'alimentazione del frantoio), macchine agricole (seminatrici, mietitrici per la regolazione della profondità di semina) e attrezzature speciali (sollevatori aerei, compattatori di rifiuti): è un solido componente di potenza per tutti i tipi di attrezzi.

D: Il cilindro HCIC S64DB-12-135 può funzionare bene in ambienti minerari o metallurgici difficili?

R: Sì. L'asta del pistone temprata e cromata resiste alla ruggine e all'usura, mentre la canna in acciaio senza saldatura 45# è abbastanza resistente da sopportare le dure condizioni dei siti minerari e metallurgici. È progettato per la regolazione del forno e il controllo dell'alimentazione del frantoio e soddisfa i requisiti di base sul campo: non dovrai preoccuparti che si guasti quando ne hai più bisogno.

🛡️ Vantaggi di personalizzazione e cooperazione

D: Posso personalizzare il cilindro HCIC S64DB-12-135 per soddisfare le mie esigenze di attrezzatura speciale?

R: Assolutamente. Se l'HCIC S64DB-12-135 standard non è adatto alla tua macchina, offriamo soluzioni idrauliche personalizzate. Possiamo regolare la struttura, la corsa, lo stile di montaggio e le guarnizioni in base alle tue esigenze specifiche: basta lavorare individualmente con il nostro team tecnico per confermare l'ambiente della tua macchina, le esigenze di alimentazione e lo spazio di montaggio e creeremo una soluzione su misura per te.

D: Qual è la procedura per ottenere una versione personalizzata del cilindro HCIC S64DB-12-135?

R: Il processo personalizzato è semplice: 1) Innanzitutto, il nostro team tecnico chatta individualmente con te per confermare le tue esigenze e creare un documento chiaro sulle esigenze. 2) Quindi, adattiamo le specifiche del cilindro e ti inviamo i disegni per conferma. 3) Una volta approvato, lo produciamo (primo arrivato, primo servito) e lo spediamo tramite il metodo che preferisci (trasporto marittimo/aereo per clienti globali). 4) Forniamo infine supporto post vendita per l'installazione e l'utilizzo.

D: Quali vantaggi ottengo ordinando il cilindro HCIC S64DB-12-135 direttamente dalla vostra fabbrica?

R: Ordinare direttamente dalla nostra fabbrica HCIC presenta due grandi vantaggi: in primo luogo, il vantaggio in termini di prezzo: senza intermediari, quindi risparmi sui costi e gli ordini all'ingrosso ottengono sconti migliori. In secondo luogo, supporto al commercio estero: forniamo documenti multilingue, suggerimenti sui codici doganali e assistenza con i documenti di dichiarazione, quindi gli acquisti transfrontalieri sono agevoli. Offriamo anche garanzia standard e riparazione/parti di ricambio gratuite per danni non umani.




V. Servizi personalizzati: realizza le bombole a modo tuo


Bisogni speciali? Abbiamo un processo semplice. Soluzioni idrauliche personalizzate per te.


(1). Ha bisogno di parlare:Il nostro team tecnico chatta individualmente. Conferma l'ambiente della tua macchina, le esigenze di alimentazione, lo spazio di montaggio. Fornirti un documento sui bisogni chiari.

(2). Fase di progettazione:Regolare struttura, corsa, montaggio, guarnizioni. In base alle tue esigenze. Invia i tuoi disegni per confermare.

(3). Produzione e Consegna:Ordini personalizzati = primo arrivato, primo servito. Modelli personalizzati regolari = tempi di consegna standard. Trasporto marittimo/aereo per clienti globali.

(4). Supporto post-vendita:Garanzia standard. Danni non umani = riparazione/parti gratuite. Hotline tecnica = risponde alle domande sull'installazione/utilizzo in qualsiasi momento.


double-acting telescopic hydraulic cylinders

VI. Vantaggi della cooperazione: accordi globali facili


HCIC = fabbrica di cilindri idraulici professionali. È bello lavorare con clienti globali.


• Vantaggio di prezzo:Diretto in fabbrica. Nessun intermediario. Risparmia sui costi. Ordini all'ingrosso = sconti migliori.

• Sostegno al commercio estero:Documenti multilingue. Consigli sul codice doganale. Aiuto con i documenti di dichiarazione. Acquisto transfrontaliero = agevole.


VII.Contattaci:

HCIC è un produttore idraulico professionale, impegnato principalmente nella progettazione, produzione, installazione, trasformazione, messa in servizio di sistemi idraulici e nella vendita di marchi di componenti idraulici e servizi tecnici. Ci auguriamo che il nostro prodotto possa aiutarvi a risparmiare sui costi e a migliorare la qualità.Per maggiori dettagli inviaci un'e-mail a "davidsong@mail.huachen.cc" o cerca su Google "HCIC idraulico"


Tag caldi: S64DB-12-135, Produttori, Fornitori, Vendita all'ingrosso, Personalizzato, Disponibile, Camion rifiuti, Cina, Spazzaneve
X
Utilizziamo i cookie per offrirti una migliore esperienza di navigazione, analizzare il traffico del sito e personalizzare i contenuti. Utilizzando questo sito, accetti il ​​nostro utilizzo dei cookie. politica sulla riservatezza
Rifiutare Accettare